Produktbeschreibung
BW-03 Batterie Kontrollmonitor - Rot
Der BW-03 ist ein intelligenter Akku-Messer
der die Spannung einer oder mehrerer Batterien messen
und anzeigen kann.
Der BW-03 kann auch einen Alarm erzeugen
auf Unter-/Überspannung und auf Spannungsdifferenz.
Merkmale
-Spritzwasserdichte Vorderseite, Ø60 mm (M55/T=20 mm), Gew. 70 gr.
-Geringe Einbautiefe
-Mehrere Batterienüberwachung
-Programmierbar
-Sehr geringer Stromverbrauch
-Geschalteter Alarmausgang
-Auto Spannung Detektion
-Power-Save-Modus
-Einfache installation
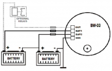
Anschließen:
Insgesamt sind 5 verschiedene Batterie-Konfigurationen auf der
BW-03 möglich:
1. 1x 12V
2. 1x 24V
3. 2x 12V
4. 2x 24V
5. 1x 12V & 1x 24V
Diesen Artikel haben wir am 31.12.2012 in unseren Katalog aufgenommen.
Zuletzt angesehen
Es folgt ein Produktslider - navigieren Sie mit der Tab-Taste zu den einzelnen Artikeln.
Angebot
BW-03 Batterie Kontrollmonitor - Rot
