Produktbeschreibung
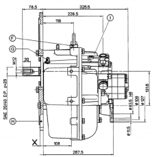
Bootswendegetriebe TECHNODRIVE TM 170
Technische Daten
- Mehrfache hydraulische Plattenkupplung
- Identische Leistung im Vorwärts- und Rückwärtsgang
- Schrägverzahnung, gehärtet und zementiert
- Schmierdruck 0,5 - 1,5Bar
- Arbeitsdruck 24Bar
- Ölinhalt 2,5l
- Öltyp: API-CD SAE20W-40
- Gewicht 75kg
- Versand nur mit UPS Fracht
Untersetzung 2,50 : 1
max. Drehmoment
- Freizeit 75kgm
- Beruflich 57kgm
max. Umdr. 4500
Diesen Artikel haben wir am 06.02.2014 in unseren Katalog aufgenommen.
Zuletzt angesehen
Es folgt ein Produktslider - navigieren Sie mit der Tab-Taste zu den einzelnen Artikeln.
Bootswendegetriebe TECHNODRIVE TM 170 Untersetzung 2,50
Angebot
Mastführungen Loch Deck 57mm
Angebot
Wasserski Modell Lil Champ Länge 120 cm Version für Kinder
Angebot
UC128-OBF/2 Zylinder Frontmontage für Außenbordersysteme
Angebot
Platte Finnanode Alpha/Bravo 35/300 PS Magnesium
Angebot
Badeleitern BBN017 Stufen 3 Breite 350mm Bügeldurchmesser 260mm
