Produktbeschreibung
DasTECHNODRIVE TMC 40P Bootswendegetriebe hat konische Kupplungen,
bei denen die mechanische Bedienung servo-unterstützt ist;
die Zahnräder produzieren nur ein geringes Geräusch
und die Lager sind reichlich dimensioniert.
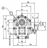
Vorwärtsuntersetzung 1,45
Rückwärtsuntersetzung 2,13
Max.Drehmoment (Nm)
Freizeit 115
Beruflich 95
Max.Eingangsleistung
Freizeit 26 kW
Beruflich 21 kW
Max.Eingangsdrehzahl 4500 rpm
Gewicht ohne Öl 8,8Kg
Ölfüllung 0,20l
Öl-Typ ATF
Eingangswelle 45mm
TMC 40 P:
Die mechanischen Getriebe sind geeignet für rechtsdrehende Propeller.
Für linksdrehende Propeller muss der Rückwärtsgang als Vorwärtsgang gebraucht werden.
- maximale Leistung im Rückwärtsgang:
33% der angegebenen Leistung
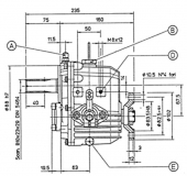
A: Entlüftung
B: Öleinfüllstutzen
C: Ölpeilstock
D: Anschluss Fernbedienung
E: Ölablass
Berechnung des max. Drehmoment des Motors
Max. Leistung des Motors in PS
Drehzahl des Motors (N) x 7120 Max = max. Drehmoment (Nm)
Einheiten: 1 kgm = 9,807 Nm, 1 PS = 0,736 kW, 1 kg = 9,807 N, 1 Kn = 1000 N
Diesen Artikel haben wir am 23.11.2013 in unseren Katalog aufgenommen.
