Produktbeschreibung
allpa Scheibenwischer Komplett Modell Alpha
- Scheibenwischersatz mit Motor, Arm und Wischerblatt (Niro 316).
- Motor 1-Speed, 12V - 6W / 0,8Nm (nominal) / ≤55db (A).
- Schalter in dem Motorgehäuse.
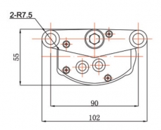
- Wellenlänge 58mm, max.
- Wandstärke 19mm.
- Wischwinkel: 90°.
- Wischschläge: 35 - 40 p.min.
- Empfohlene Blattlänge: 300mm, Armlänge 300mm
Ersatzteile einzel bestellbar
Motor einzeln 12V (ZD1132)
Wischerarm 300mm BBN096830
Wischerblatt 300mm einzeln BBN096930
Diesen Artikel haben wir am 18.07.2012 in unseren Katalog aufgenommen.
Zuletzt angesehen
Es folgt ein Produktslider - navigieren Sie mit der Tab-Taste zu den einzelnen Artikeln.
Angebot
Scheibenwischersatz mit Motor, Arm und Wischerblatt (Niro 316) Wischerarm 300mm Alpha
Angebot
EP Wasserdichte Thermoschalter Max Belastung 200A
Angebot
Edelstahlschraube Ø 16 x 19L Steigung
Angebot
Edelstahlschraube Ø 14 x 21R Steigung
Angebot
Anker, klappbar Gegossenem feuerverzinktem Stahl 7,5kg Trefoil
Thermokabel 105°C
